×
×
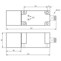
Näherungsschalter DCQ-40-NAK-ST4
| Kategorie | Näherungsschalter |
| Gruppe | Standard |
| Artikelnummer | 120.3000.471 |
| Bezeichnung | DCQ-40-NAK-ST4 |
| Anschluss | Stecker M12 |
| Auswertung | statisch |
| Bauform | Quaderbauform |
| Codierung | A |
| Dimension | 40x40 mm |
| Eigenschaft | rechteckig |
| Einbauart | bündig |
| Funktionsprinzip | Induktiv |
| Gehäusematerial | PBT |
| Isolationsspannung | 500 V |
| Länge | 118 mm |
| Schaltabstand | 15 mm |
| Schaltausgang | NPN NO+NC |
| Schaltfrequenz | 100 Hz |
| Schalthysterese | < 15% |
| Temperaturdrift | < 10 % |
| Polzahl | 4 |
| Gewicht | 0,26 kg |
| max.Laststrom | 200 mA / kurzschlußfest |
| Reproduzierbarkeit | < 1 % |
| Spannungsabfall | < 1,5 V |
| Umgebungstemperatur | - 25°C ... + 70°C |
| Betriebsspannung | 10 – 30 VDC |
| Eigenstromaufnahme | < 8 mA |
| Schutzart | IP 67 |
| Schutzklasse | III Schutzkleinspannung |
| Ursprungsland | DE |
| Zolltarifnummer | 85365019 |